• 关于我们
  • 产品中心
  • 新闻中心
  • 营销网络
  • 企业一角
  • 质量认证
  • 联系我们
  • 产品中心
    当前位置:首页 >> 产品中心 >> 产品概述
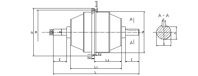
  • YDW系列电动机外形图(0.75kW~22kW)
  • YDW系列电动机外形尺寸及安装尺寸(0.75kW~22kW)
  • 网站声明:南京龙源电机有限公司站内图片及商标权属南京龙源电机有限公司所有。 苏ICP备14034541号-1
    联系电话:13584028800  传真:(025)52457882   厂址:南京市六合区台商工业园  邮编:210000